emilspec
An Integrated Publishing, Inc. Site
eMilSpec
An Integrated Publishing Website
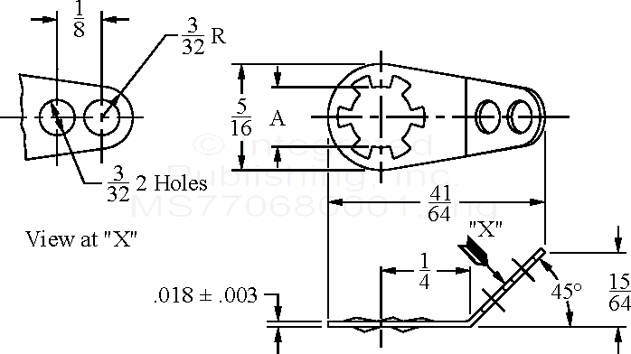
MS77068 Terminal, Lug, Solder Type, Phosphor Bronze Stamping, Locking Type, 45 Degrees, Two Hole
For Parts Inquires call
Parts Hangar, Inc
(727) 493-0744
© Copyright 2015 Integrated Publishing, Inc.
A Service Disabled Veteran Owned Small Business