emilspec
An Integrated Publishing, Inc. Site
eMilSpec
An Integrated Publishing Website
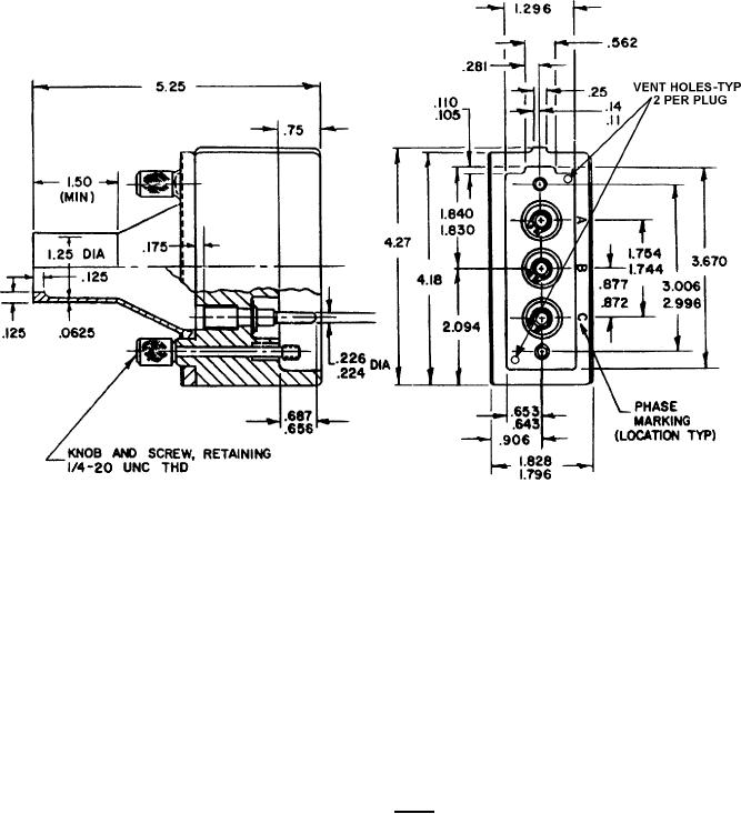
MIL-DTL-24552-4 Terminals And Seals, Plugs And Switch, Casualty Power, Plug, 100-Ampere, 450-Volt, Alternating Current, Three-Phase, Symbol No. 1049
Pages
1
-
2
-
3
-
4
MIL-DTL-24552/4B(SH)
Figure 1.
Plug.
2
For Parts Inquires call
Parts Hangar, Inc
(727) 493-0744
© Copyright 2015 Integrated Publishing, Inc.
A Service Disabled Veteran Owned Small Business