emilspec
An Integrated Publishing, Inc. Site
eMilSpec
An Integrated Publishing Website
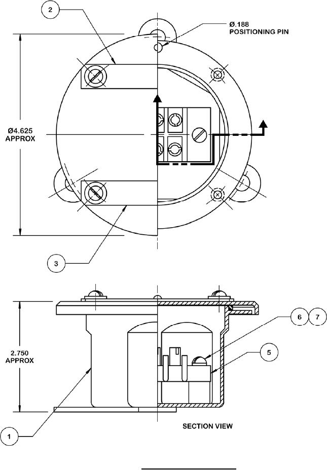
MIL-DTL-24558-1 Terminal Box, Connection, Submersible \(15-Foot\), 6-Terminal, 18-Wire, 600 Volts, Symbol No. 520.1
Pages
1
-
2
-
3
-
4
-
5
-
6
MIL-DTL-24558/1B
FIGURE
1. Connection box assembly.
3
For Parts Inquires call
Parts Hangar, Inc
(727) 493-0744
© Copyright 2015 Integrated Publishing, Inc.
A Service Disabled Veteran Owned Small Business