emilspec
An Integrated Publishing, Inc. Site
eMilSpec
An Integrated Publishing Website
MIL-DTL-24558-13 Terminal Box, Connection, Submersible \(15-Foot\), 144-Terminal, 432-Wire, 600 Volts, Symbol No. 524.1
Pages
1
-
2
-
3
-
4
-
5
-
6
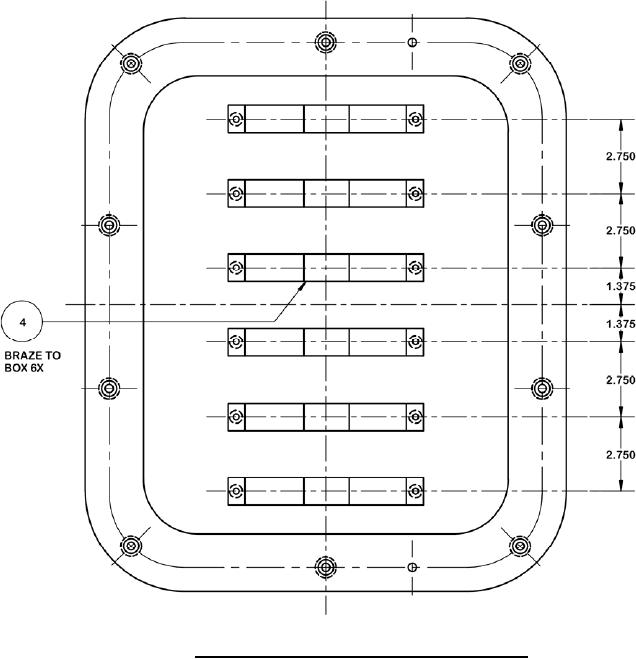
MIL-DTL-24558/13B
FIGURE
2. Location of terminal board mounting brackets.
4
For Parts Inquires call
Parts Hangar, Inc
(727) 493-0744
© Copyright 2015 Integrated Publishing, Inc.
A Service Disabled Veteran Owned Small Business