
MIL-DTL-24558/18B
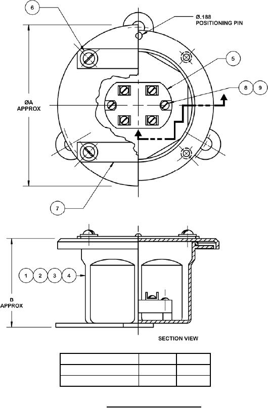
Symbol number
ŘA
B
400.1 and 400.4
4.625
2.750
400.2 and 400.3
5.750
3.500
FIGURE 1. Connection box assembly.
4
For Parts Inquires call Parts Hangar, Inc (727) 493-0744
© Copyright 2015 Integrated Publishing, Inc.
A Service Disabled Veteran Owned Small Business