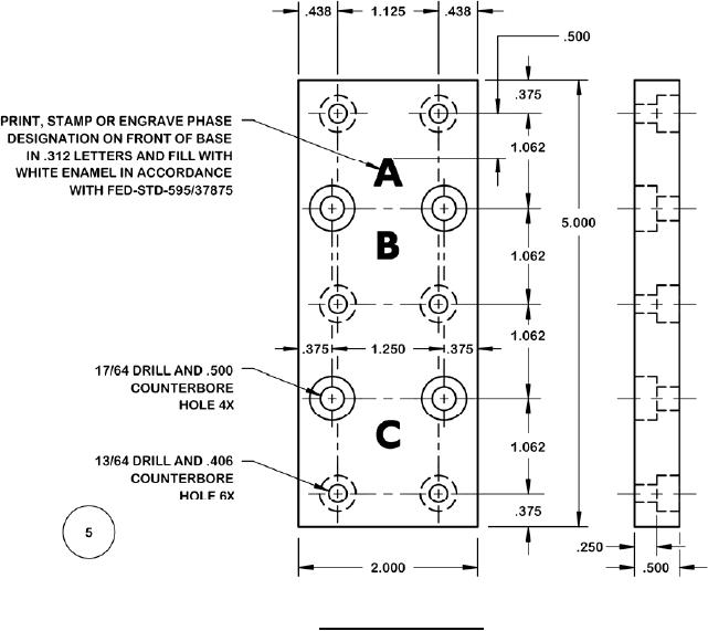
MIL-DTL-24558-24 Terminal Box, Connection, Submersible \(15-Foot\), 500 Volts,Three-Phase, Symbol No. 416, Two-Circuit, Three-Phase Bus Lugs For Two 75 Mcm Cables