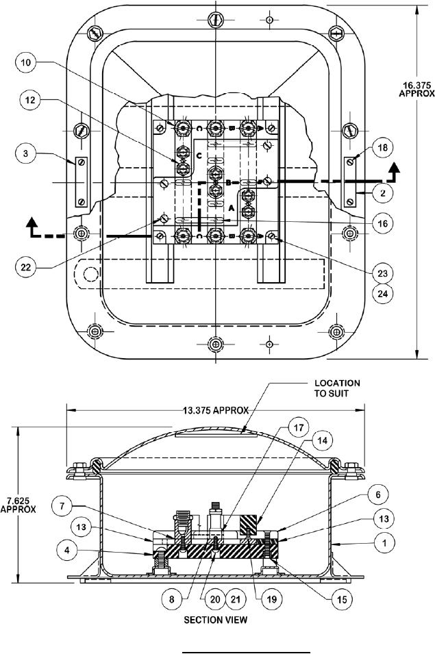
MIL-DTL-24558-26 Terminal Box, Connection, Submersible \(15-Foot\), 500 Volts, Three-Phase, Symbol No. 572.1, Six Branch Lugs For Two 3-Conductor 40 Mcm Cables, Six Bus Lugs For Two 3-Conductor 75 Mcm Cables