
MIL-DTL-24558B
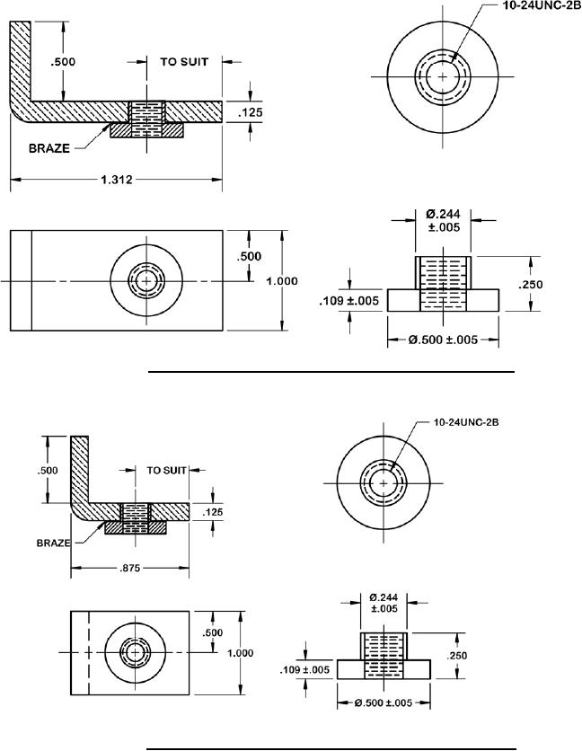
FIGURE 3. Terminal board mounting bracket, L-configuration, long.
FIGURE 4. Terminal board mounting bracket, L-configuration, short.
15
For Parts Inquires call Parts Hangar, Inc (727) 493-0744
© Copyright 2015 Integrated Publishing, Inc.
A Service Disabled Veteran Owned Small Business